Product Summary
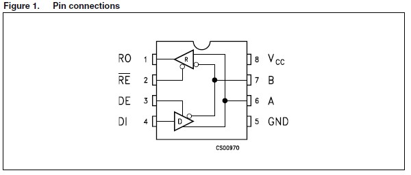
The ST3485EBDR is ±15 kV ESD protected, 3.3 V low power transceiver for RS-485 and RS-422 communications. The device contains one driver and one receiver in half duplex configuration. The ST3485EBDR transmits and receives at a guaranteed data rate of at least 12 Mbps.
Parametrics
Absolute maximum ratings: (1)VCC, Supply voltage: 7 V; (2)VI, Control input voltage (RE, DE): -0.3 to 7 V; (3)VDI, Driver input voltage (DI): -0.3 to 7 V; (4)VDO, Driver output voltage (A, B): ± 14 V; (5)VRI, Receiver input voltage (A, B): ± 14 V; (6)VRO, Receiver output voltage (RO): -0.3 to (VCC + 0.3) V.
Features
Features: (1)ESD protection: ±15 kV human body model; ±8 kV IEC 1000-4-2 contact discharge; (2)Operate from a single 3.3 V supply - no charge pump required; (3)Interoperable with 5 V logic; (4)1 μA low current shutdown mode max; (5)Guaranteed 12 Mbps data rate; (6)-7 to 12 V common mode input voltage range; (7)Half duplex versions available; (8)Industry standard 75176 pinout; (9)Current limiting and thermal shutdown for driver overload protection; (10)Guaranteed high receiver output state for floating inputs with no signal present; (11)Allow up to 64 transceivers on the bus.
Diagrams

| Image | Part No | Mfg | Description | ![]() |
Pricing (USD) |
Quantity | ||||||||||||
|---|---|---|---|---|---|---|---|---|---|---|---|---|---|---|---|---|---|---|
![]() |
![]() ST3485EBDR |
![]() STMicroelectronics |
![]() Buffers & Line Drivers Trancvr Driver/Recvr |
![]() Data Sheet |
![]()
|
|
||||||||||||
| Image | Part No | Mfg | Description | ![]() |
Pricing (USD) |
Quantity | ||||||||||||
![]() |
![]() ST3485E |
![]() Other |
![]() |
![]() Data Sheet |
![]() Negotiable |
|
||||||||||||
![]() |
![]() ST3485EBDR |
![]() STMicroelectronics |
![]() Buffers & Line Drivers Trancvr Driver/Recvr |
![]() Data Sheet |
![]()
|
|
||||||||||||
![]() |
![]() ST3485EBN |
![]() |
![]() IC TXRX 3.3V RS485/422 8 DIP |
![]() Data Sheet |
![]() Negotiable |
|
||||||||||||
![]() |
![]() ST3485ECDR |
![]() STMicroelectronics |
![]() Buffers & Line Drivers Trancvr Driver/Recvr |
![]() Data Sheet |
![]()
|
|
||||||||||||
![]() |
![]() ST3485ECN |
![]() |
![]() TXRX RS485/422 3.3V ESD 8-DIP |
![]() Data Sheet |
![]() Negotiable |
|
||||||||||||
![]() |
![]() ST34B |
![]() Littelfuse |
![]() Diacs 32-36V |
![]() Data Sheet |
![]()
|
|
||||||||||||
(China (Mainland))







